
Descrición detallada do produto
| Vantaxe: | Alta velocidade | Velocidade de etiquetaxe: | 60-200 unids / min |
|---|---|---|---|
| Función: | Etiquetaxe adhesiva adhesiva | Material: | Aceiro inoxidable |
| Tipo de botella: | Tarro etiquetador automático de botellas redondas | Aplicación: | Para todo tipo de envases redondos |
| Marca Plc: | MITSUBISHI (Xapón) | Motor de etiquetaxe servo: | DELTA (Taiwán) |
máquina de etiquetaxe de viño tinto máquina de etiquetaxe de botella de viño de vidro, sistema de control PLC máquina de etiquetaxe da marca MITSUBISHI
Características:
1. Funcionamento: o sistema de control PLC facilita o funcionamento da máquina de etiquetaxe
2. Material: o corpo principal da máquina de etiquetaxe está feito de aceiro inoxidable SUS304
3. Configuración: as nosas máquinas de etiquetaxe adoptan pezas coñecidas da marca xaponesa, alemá, americana, coreana ou Taiwán
4. Flexibilidade: o cliente pode escoller engadir impresora e máquina de código; pode elixir conectarse ou non co convertor.
Parámetros técnicos:
| Nome | Botella de viño redonda automática para máquina de etiquetaxe de botellas redondas de manga de alta velocidade |
| Velocidade de etiquetaxe | 60-350 unidades / min |
| Altura do obxecto | 30-350mm |
| Espesor do obxecto | 20-120mm |
| Altura da etiqueta | 5-180 mm |
| Lonxitude da etiqueta | 25-300mm |
| Diámetro interior do rolo de etiquetas | 76 mm |
| Diámetro exterior do rodillo de etiquetas | 420 mm |
| Precisión da etiquetaxe | ± 1 mm |
| Fonte de alimentación | 220V 50 / 60HZ 3,5KW |
| Consumo de gas da impresora | 5 kg / m2 (se engade máquina de codificación) |
| Tamaño da máquina de etiquetaxe | 2800 (L) × 1650 (W) × 1500 (H) mm |
| Peso da máquina de etiquetaxe | 180 kg |
Configuración
| Non | Parte | marca | cantidade |
| 1 | PLC | MITSUBISHI (Xapón) | 1 |
| 2 | Conversor principal | DANFOSS (Dinamarca) | 1 |
| 4 | IMH | WEINVIEW (Taiwán) | 1 |
| 5 | Motor de etiquetaxe servo | DELTA (Taiwán) | 1 |
| 6 | Servo etiquetado controlador do motor | DELTA (Taiwán) | 1 |
| 7 | Motor transportador | HY (Taiwán) | 1 |
| 8 | Caixa de cambios do motor transportador | HY (Taiwán) | 1 |
| 9 | Motor de botella divisoria | GPG (Taiwán) | 1 |
| 10 | Caixa de cambios do motor de botella divisoria | GPG (Taiwán) | 1 |
| 11 | Regulador de velocidade do motor que separa a botella | GPG (Taiwán) | 1 |
| 12 | Motor de radios | GPG (Taiwán) | 1 |
| 13 | Caixa de cambios do motor de radios | GPG (Taiwán) | 1 |
| 14 | obxecto detectar ollo máxico | OMRON (Xapón) | 1 |
| 15 | fibra óptica | OMRON (Xapón) | 1 |
Detalle da máquina:

32 pezas principais da máquina de etiquetaxe

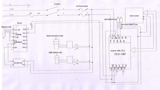
Diagrama de circuítos

FAQ:
1.label recibe burbullas
Motivos:
① pelar o taboleiro non é bo / non é plano;
② o taboleiro de arado non é bo / non é plano;
③ a saída de etiquetaxe é demasiado rápida ou a velocidade da liña de montaxe é demasiado baixa;
④ a etiqueta está tirada demasiado
Solucións:
① cambiar un taboleiro desprendido;
② cambiar un taboleiro de arado plano;
③ diminuír a velocidade de saída da etiquetaxe ou aumentar a velocidade da liña de montaxe;
④ impactar correctamente sobre o cinto de etiquetas.
Etiqueta: máquina de etiquetaxe industrial, máquina de etiquetaxe de botellas de vidro









